Descargador de sobretensiones V20, de 2 polo+NPE y señalización remota 280 V

Código 5095332 | EAN 4012196163243

280 V
IP20
Descripción de producto
Descripción de producto
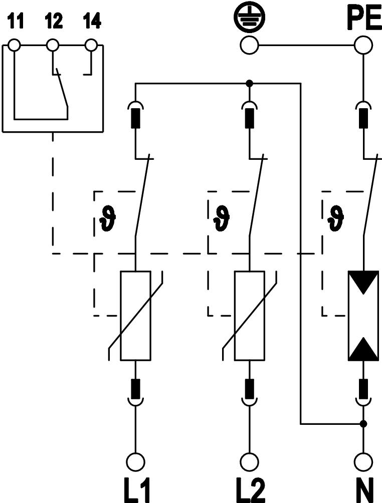
Descargador de sobretensiones tipo 2

• Para conexión equipotencial de protección contra sobretensiones según VDE 0100-443 (IEC 60364-4-44)
• Capacidad de descarga hasta 40 kA (8/20) por polo mediante varistores de alto rendimiento
• Descargador enchufable modular con dispositivo seccionador e indicación visual de estado
• Función de retención con protección contra vibraciones y codificación de tensión
• Plástico según UL 94 V-0
• Los modelos con señalización remota disponen de un contacto inversor libre de potencial

Aplicación: conexión equipotencial para cuadros de distribución y subestaciones.
  • Underwriters Laboratories Inc., EE.UU. + CSA, Canadá
  • Österreichischer Verband für Elektrotechnik, Austria
  • Verband der Elektrotechnik, Elektronik, Informationstechnik e.V., Deutschland (Asociación de Electrotécnicos Alemanes)
  • KEMA-KEUR, Países Bajos
  • 5 años de garantía
  • Comunidad Europea, Declaración de conformidad según las directivas de la CE
  • Conformidad EurAsian
  • Regulatory Compliance Mark - Declaración de conformidad para Australia / Nueva Zelanda
  • Dispositivo de protección según la norma UNE EN 61643-11 o IEC 61643-11
  • Transición entre las zonas LPZ 1 a 2
  • Installation, electrotechnical expertise
  • Señalización remota
  • Huella de CO₂ (PCF)
  • Embalaje sin plástico
  • Packaging made entirely from recycled cardboard
Datos técnicos

Datos técnicos

Autorizaciones VDE, KEMA, UL, ÖVE
Capacidad de extinción de corriente de seguimiento (eff) [N-PE] 0,1 kA
Categoría de pruebas tipo 2
Clase de protección IP20
Clasificación según la norma EN 61643-11 Tipo 2
Con riesgo de emisión de chispas no
Contactos FM Contacto inversor
Corriente de impulso de descarga (8/20 µs) [total] 60 kA
Dimensión 280V
Distancia mínima 1,5 mm
Estructura de red Otros
Estructura de red TN
Estructura de red TN-C-S
Estructura de red TN-S
Estructura de red TT
Fusible previo integrado no
Huella de CO2 (GWP) Cradle-to-Gate 1,4094 kg CO2e / 1 Unidad
Humedad máx. 95 %
Humedad mín. 5 %
Intensidad nominal de descarga (8/20 µs) 20 kA
Intensidad nominal de descarga (8/20 µs) [L-N] 20 kA
Intensidad nominal de descarga (8/20 µs) [N-PE] 40 kA
Material de la carcasa PA UL 94 V-0
Máx. protección contra sobrecorrientes del lado de la red 160 A gL/gG
Máx. protección previa por fusibles 160 A
Máxima corriente de descarga (8/20 μs) 40 kA
Máxima corriente de descarga (8/20 μs) [L-N] 40 kA
Máxima corriente de descarga (8/20 μs) [N-PE] 60 kA
Máxima tensión de funcionamiento CA 280 V
Modelo de polos 2+N/PE
Modo de montaje Raíl simétrico 35 mm
Nivel de protección común [L-PE] 1,5 kV
Nivel de protección [L-N] ≤1,3
Número de polos 3
Par de giro 4 Nm
Potencia de conexión CA 230 V; 0,5 A
Potencia de conexión CC 230 V; 0,1 A / 75 V; 0,5 A
Rango de temperatura -40 °C
Rango de temperatura máx. 80 °C
Resistencia al cortocircuito con máx. protección contra sobrecorrientes del lado de la red 50 kA eff
Resistente a cortocircuito
Sección de conexión bornes FM máx. 16 AWG
Sección de conexión bornes FM máx. 1,5 mm²
Sección de conexión bornes FM mín. 0,5 mm²
Sección de conexión bornes FM mín. 21 AWG
Sección transversal de conductor flexible (de hilo fino) máx. 35 mm²
Sección transversal de conductor flexible (de hilo fino) máx. 2 AWG
Sección transversal de conductor flexible (de hilo fino) míin. 1,5 mm²
Sección transversal de conductor flexible (de hilo fino) míin. 16 AWG
Sección transversal de conductor rígido (unifilar/multifilar) máx. 2 AWG
Sección transversal de conductor rígido (unifilar/multifilar) máx. 35 mm²
Sección transversal de conductor rígido (unifilar/multifilar) mín. 1,5 mm²
Sección transversal de conductor rígido (unifilar/multifilar) mín. 16 AWG
Señalización en el dispositivo Visual
Señalización remota
SPD según IEC 61643-1 clase II
SPD según UL 1449 Tipo 4
Temperatura de servicio máx. 80 °C
Temperatura de servicio mín. -40 °C
Tensión máxima de funcionamiento (L-N) 280 V
Tensión máxima de funcionamiento (N-PE) 255 V
Tensión nominal CA (50 / 60 Hz) 230 V
Tensión residual [L-N] @ 1 kA 0,8 kV
Tensión residual [L-N] @ 5 kA 1 kV
Tensión transitoria (TOV) [L-N] - Modo seguro contra fallos - 120 min 440 V
Tensión transitoria (TOV) [L-N] - withstand mode - 5 s 335 V
Tensión transitoria (TOV) [N-PE] - Modo estacionario - 200 ms 1200 V
Tiempo de reacción <25 ns
Todos los tipos

Todos los tipos

Tipo Modelo de polos Máxima tensión de funcionamiento CA Clase de protección Código Cantidad Mín. ud. de venta
V20-1+NPE+FS-280 1+N/PE 280 V IP20 5095331
1 Unidad
V20-2+NPE+FS-280 2+N/PE 280 V IP20 5095332
1 Unidad
V20-3+NPE+FS-280 3+N/PE 280 V IP20 5095333
1 Unidad
Descargas

Descargar

Descargar
Descargar
Descargar

Declaración de conformidad UE V20-2+NPE+FS-280 / 5095332 , 0.13MB , pdf
Descargar

V20-2+NPE+FS-280 / 5095332
Descargar