Perfil CML3518, ranura de 17 mm, FT, perforado

Código 1104568 | EAN 4012196470921

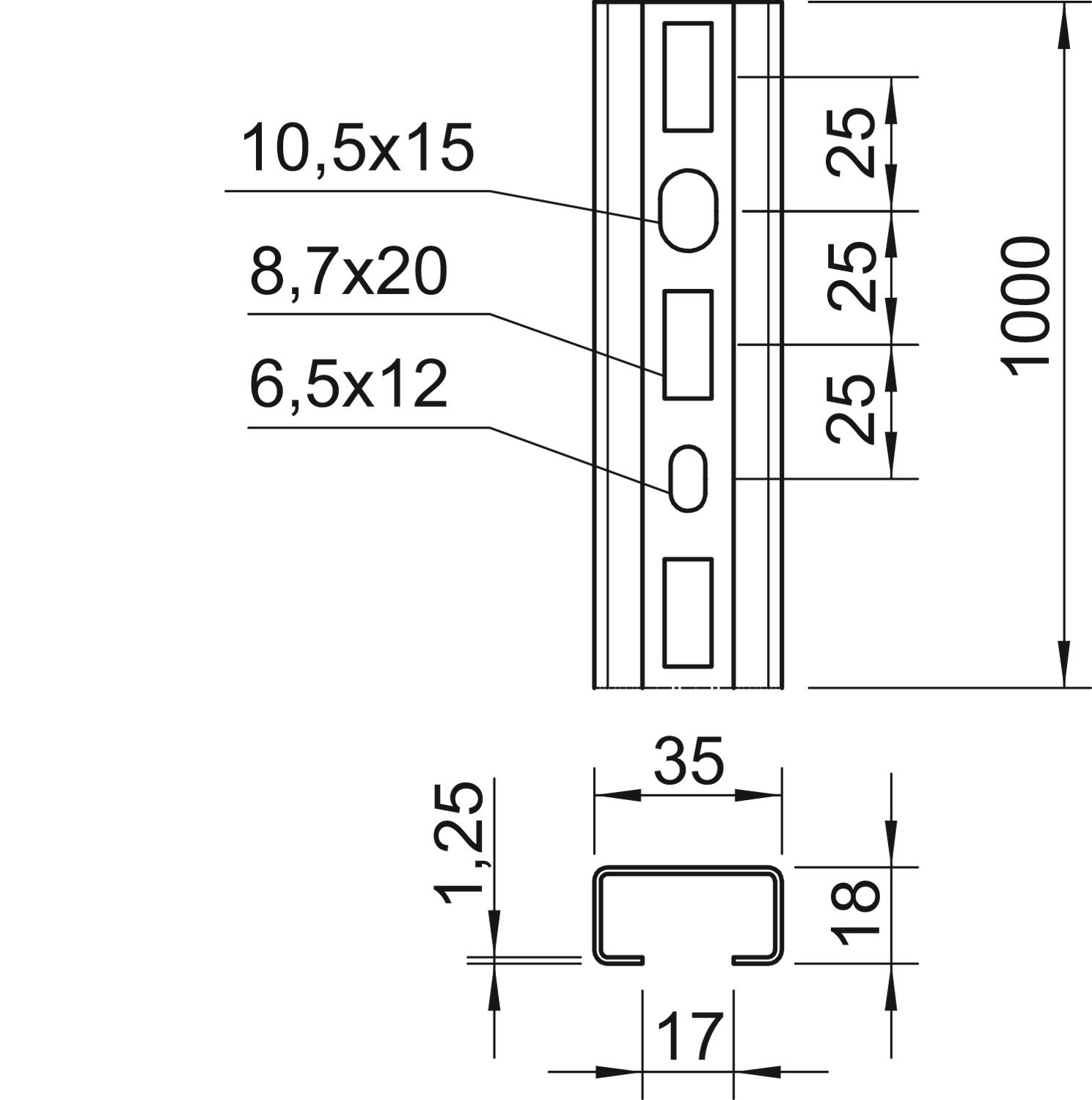
35 mm
18 mm
1,25 mm
Acero
Galvanizado por inmersión en caliente
Descripción de producto
Descripción de producto
Perfil en C central para el cableado, en combinación con abrazaderas sobre perfil con patillas tipo cabeza de martillo. También utilizable como construcción suspendida para sistemas portacables
  • Comunidad Europea, Declaración de conformidad según las directivas de la CE
  • Ancho de ranura 17 mm
  • Abrazadera sobre perfil en C con ancho de ranura 16-17 mm.
  • Clase de mantenimiento de función E30
  • Clase de mantenimiento de función E90
  • Huella de CO₂ (PCF)
Datos técnicos

Datos técnicos

Acero inoxidable, barnizado no
Altura 18 mm
Ancho 35 mm
Ancho de ranura 17 mm
Con dentado no
Con perforación
Dimensión 1000x35x18
Forma de perfil C = perfil
Grosor del material 1,25 mm
Huella de CO2 (GWP) Cradle-to-Gate 1,7217 kg CO2e / 1 Metro
Longitud 1000 mm
Mantenimiento de función
Material Acero
Medida L 1000 mm
Seccionable no
Statischer Wert A 0,88 cm²
Statischer Wert ly 0,41 cm⁴
Statischer Wert lz 1,81 cm⁴
Statischer Wert Wy 0,41 cm³
Statischer Wert Wz 1,03 cm³
Superficie Galvanizado por inmersión en caliente
Tipo de perforación Dorso perforado
Versión Perfil simple
Todos los tipos

Todos los tipos

Tipo Longitud Ancho Altura Grosor del material Material Superficie Código Cantidad Mín. ud. de venta
CML3518P1000FT 1000 mm 35 mm 18 mm 1,25 mm Acero Galvanizado por inmersión en caliente 1104568
10 m
CML3518P2000FT 2000 mm 35 mm 18 mm 1,25 mm Acero Galvanizado por inmersión en caliente 1104570
20 m
Accesorios

Accesorios de montaje

Productos Tipo Código Cantidad Mín. ud. de venta
Tuerca deslizante ZL Tuerca deslizante ZL ACMSN M8 ZL 1147060
100 Unidad
Tornillo de gancho ZL Tornillo de gancho ZL ACMHB M8x30 ZL 1148060
50 Unidad
Descargas

Descargar

Descargar

Declaración de conformidad UE CML3518P1000FT / 1104568 , 0.13MB , pdf
Descargar
Declaración de conformidad UE Declaración de conformidad UE ,

CML3518P1000FT / 1104568
Descargar