Protección enchufable de líneas de datos, 2 polos, puesta a tierra indirecta, con OS, 48 V

Código 5080355 | EAN 4012196742233

4
2x2-polos
Borne
Descripción de producto
Descripción de producto
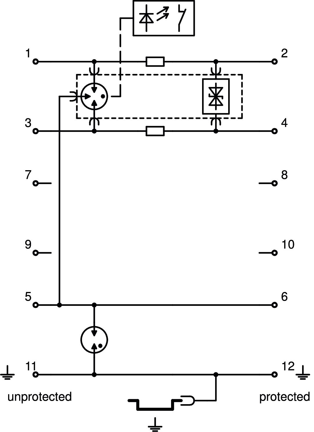
Protección de línea de datos enchufable tipo 1+2/D1+C2 para el uso en técnica de regulación, de control y de medición

• Dispositivo de protección para sistemas multifilares
• Puesta a tierra indirecta del apantallamiento
• Rango de frecuencias hasta 100 MHz
• Posibilidad de puesta a tierra a través de raíles simétricos o cable de conexión
• Ancho de construcción reducido de 17,5 mm
• Alta disponibilidad de la instalación - sin interrupción de señal sin módulo de protección
• Con señalización óptica y posibilidad de señalización remota mediante alimentación de tensión PDP-PS
• Incluye conector bus integrado

Aplicación: protección contra el rayo y sobretensiones universal para equipos de transmisión de datos en la técnica MSR.
  • 5 años de garantía
  • Comunidad Europea, Declaración de conformidad según las directivas de la CE
  • Instalaciones de medición, control y regulación
  • Transición entre las zonas LPZ 0 a 2.
  • Installation, electrotechnical expertise
  • Huella de CO₂ (PCF)
Datos técnicos

Dimensiones

Altura 95 mm
Ancho 17,5 mm
Apantallamiento Indirecto
Atenuación de entrada (Insertion loss) ≤3 dB
Capacidad (hilo-hilo) ≤30 pF
Capacidad (hilo-tierra) ≤30 pF
Clase de protección IP20
Clasificación según la norma EN 61643-11 Tipo 1+2
Conector / hilos protegidos Borne
Conexión del apantallamiento
Corriente de carga nominal CA 0,425 A
Corriente de carga nominal CC 0,6 A
Corriente de impulso de descarga total (10/350) 2,5 kA
Corriente de impulso de descarga total (8/20) 20 kA
Dimensión 48V
Frecuencia límite 100 MHz
Huella de CO2 (GWP) Cradle-to-Gate 0,6488 kg CO2e / 1 Unidad
Intensidad nominal de descarga (8/20 µs) 10 kA
Intensidad nominal de descarga In según C2 (total) 20 kA
Kategorie Tipo 1+2 / D1+C2
Longitud 75 mm
LPZ 0→2
Máxima tensión de funcionamiento CA 37 V
Máxima tensión de funcionamiento CC 52 V
Montaje entrada/salida Terminales con tornillos
Nivel de protección conductor-conductor 170 V
Nivel de protección conductor-tierra 1600 V
Nivel de protección pantalla - tierra (S-PE) 1300 V
Norma de ensayo IEC 61643-21
Número de polos 4
Rango de temperatura -40 °C
Rango de temperatura máx. 80 °C
Resistencia a la sobrecorriente momentánea conductor - conductor 10 kV / 5 kA
Resistencia a la sobrecorriente momentánea conductor - tierra 10 kV / 5 kA
Resistencia en serie 1.2 ± 5%
Resistencia en serie por conductor 1,2 Ω ± 5%
Sección de conexión flexible máx. 1,5 mm²
Sección de conexión flexible mín. 0,14 mm²
Sección de conexión multifilar máx. 2,5 mm²
Sección de conexión multifilar mín. 0,14 mm²
Sección de conexión rígida máx. 2,5 mm²
Sección de conexión rígida mín. 0,14 mm²
Señalización en el dispositivo ninguna
SPD según IEC 61643-1 clase I+II
SPD según IEC 61643-21 Categoría I+II / D1+C2
Toma a tierra a través de: Línea de conexión/carril DIN
Valor cresta de corriente de rayo 2,5 kA
Versión 2x2-polos
Todos los tipos

Todos los tipos

Tipo Número de polos Versión Máxima tensión de funcionamiento CA Máxima tensión de funcionamiento CC Conector / hilos protegidos Código Cantidad Mín. ud. de venta
PDP-2-5-I-OS 4 2x2-polos 4,2 V 6 V Borne 5080349
1 Unidad
PDP-2-12-I-OS 4 2x2-polos 12 V 16 V Borne 5080351
1 Unidad
PDP-2-24-I-OS 4 2x2-polos 21 V 30 V Borne 5080353
1 Unidad
PDP-2-48-I-OS 4 2x2-polos 37 V 52 V Borne 5080355
1 Unidad
Descargas

Descargar

Descargar
Descargar

Declaración de conformidad UE PDP-2-48-I-OS / 5080355 , 0.13MB , pdf
Descargar

Descargar
Descargar

PDP-2-48-I-OS / 5080355
Descargar