Connection plate, T-shaped A4

Item no. 1124735 | EAN 4012195805212

1124735 / GMS 4 VP T A4
200 mm
40 mm
Product description
Product description
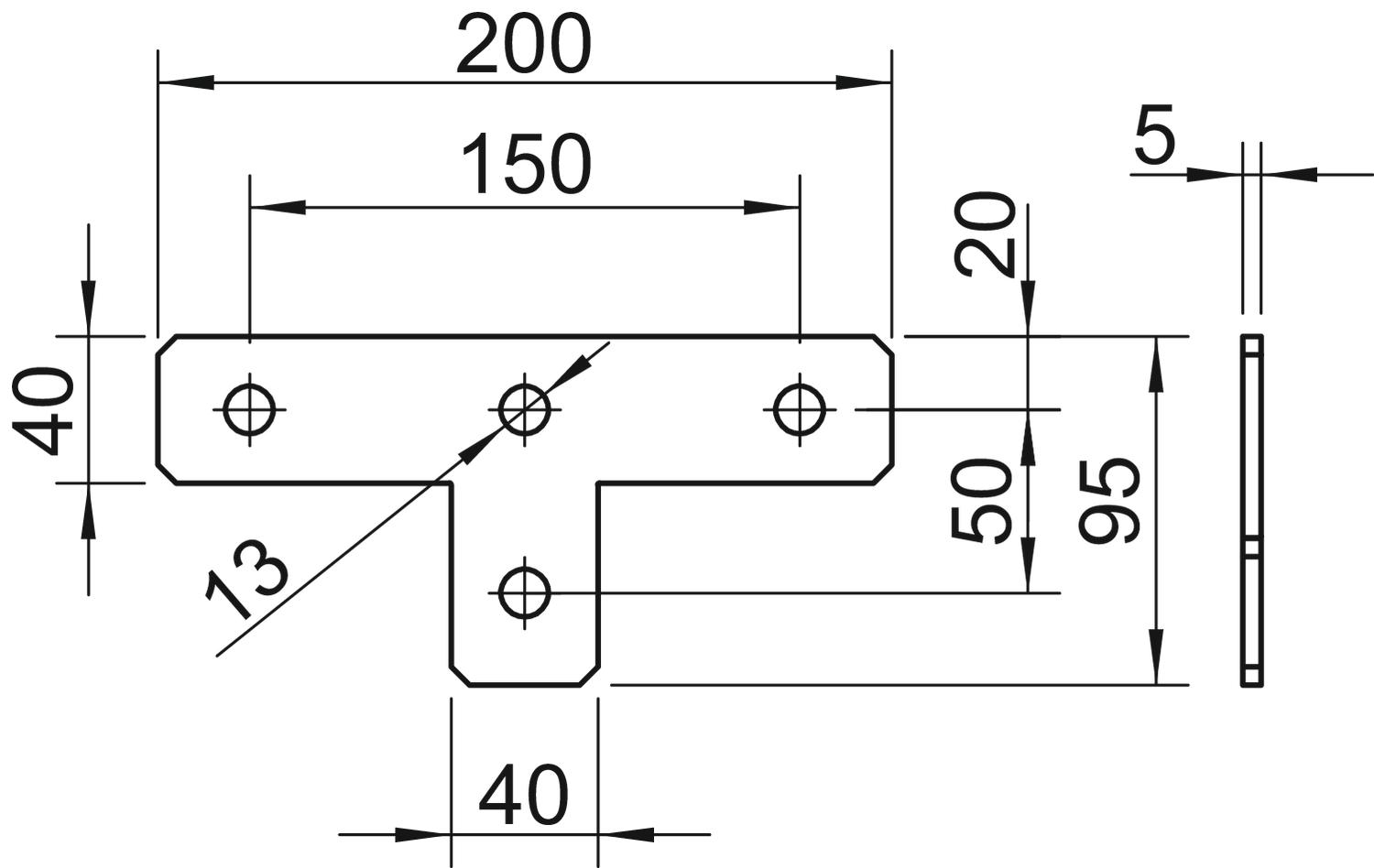
Connection plate with four holes for T-shaped connection of profile rails 41 x 41 mm and 41 x 21 mm.

  • Communautés Européennes, EC declaration of conformity according to EC directives
  • CO₂ footprint (PCF)
Technical data

Technical data

CO2 Footprint (GWP) Cradle-to-Gate 2,2174 kg CO2e / 1 Piece
Dimension 200x95x40x4
Height 4 mm
Hole size 13 mm
Length 200 mm
Material Stainless steel 1.4571
Material thickness 4 mm
Rustproof steel, pickled no
Suitable for profile shapes C profile
Surface Bright, treated
Version for With continuous perforation 13 mm
Width 40 mm
With screw accessories no
All types

All types

Types Length Width Item no. Quantity SSU
GMS 4 VP T A4 200 mm 40 mm 1124735
10 piece
Downloads

Download

Download

GMS 4 VP T A4 / 1124735
Download