Adapter PG-M

Item no. 2031467 | EAN 4012195372066

Product description
Product description
Adapter for converting a Pg threaded drill hole to a metric threaded drill hole.
  • Halogen-free; without chlorine, fluorine and bromine
  • Communautés Européennes, EC declaration of conformity according to EC directives
  • Thread metric
  • Thread Pg
  • CO₂ footprint (PCF)
  • Packaging without plastic
  • Packaging made entirely from recycled cardboard
Technical data

CO2 footprint (Product Carbon Footprint)

CO2 Footprint (GWP) Cradle-to-Gate 0,0227 kg CO2e / 1 Piece
Colour Light grey; RAL 7035
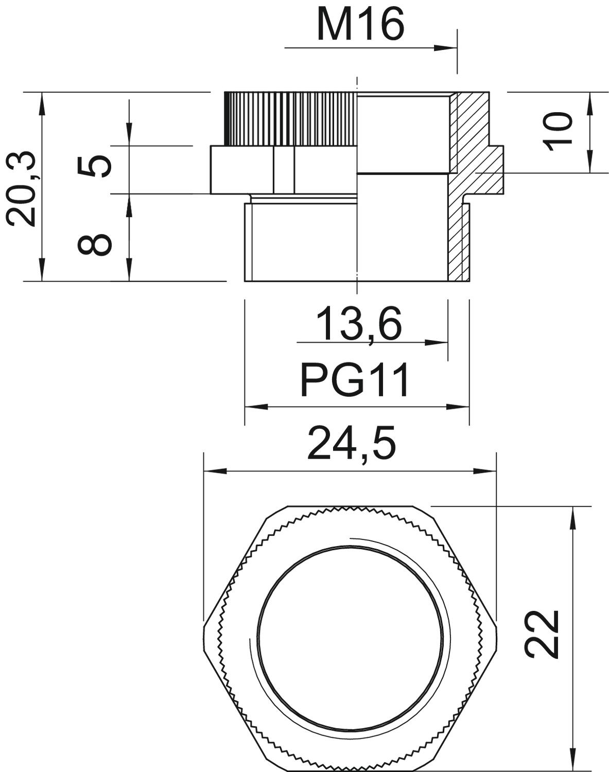
Dimension PG11-M16
Dimension D 13,6 mm
Dimension E 24,5 mm
Dimension L 20,3 mm
Dimension L1 8 mm
Dimension L2 5 mm
Dimension L3 10 mm
explosion-proof no
Material Polyamide
Nickel-plated no
Thread dimension, metric, internal 16
Thread dimension, PG, external 11
Thread type: External thread PG
Thread type: Internal thread Metric
WAF 22
All types

All types

Types Thread dimension, metric, internal Thread dimension, PG, external WAF Item no. Quantity SSU
107 ADA PG7-M12 12 7 15 2031465
20 piece
107 ADA PG9-M12 12 9 19 2031466
20 piece
107 ADA PG11-M16 16 11 22 2031467
20 piece
107 ADA PG13-M20 20 13.5 24 2031468
20 piece
107 ADA PG16-M20 20 16 27 2031469
20 piece
107 ADA PG21-M25 25 21 33 2031470
10 piece
107 ADA PG29-M32 32 29 42 2031471
10 piece
Downloads

Download

107 ADA PG11-M16 / 2031467
Download