Cable ladder with Z rung, standard FT

Item no. 7098133 | EAN 4012196046423

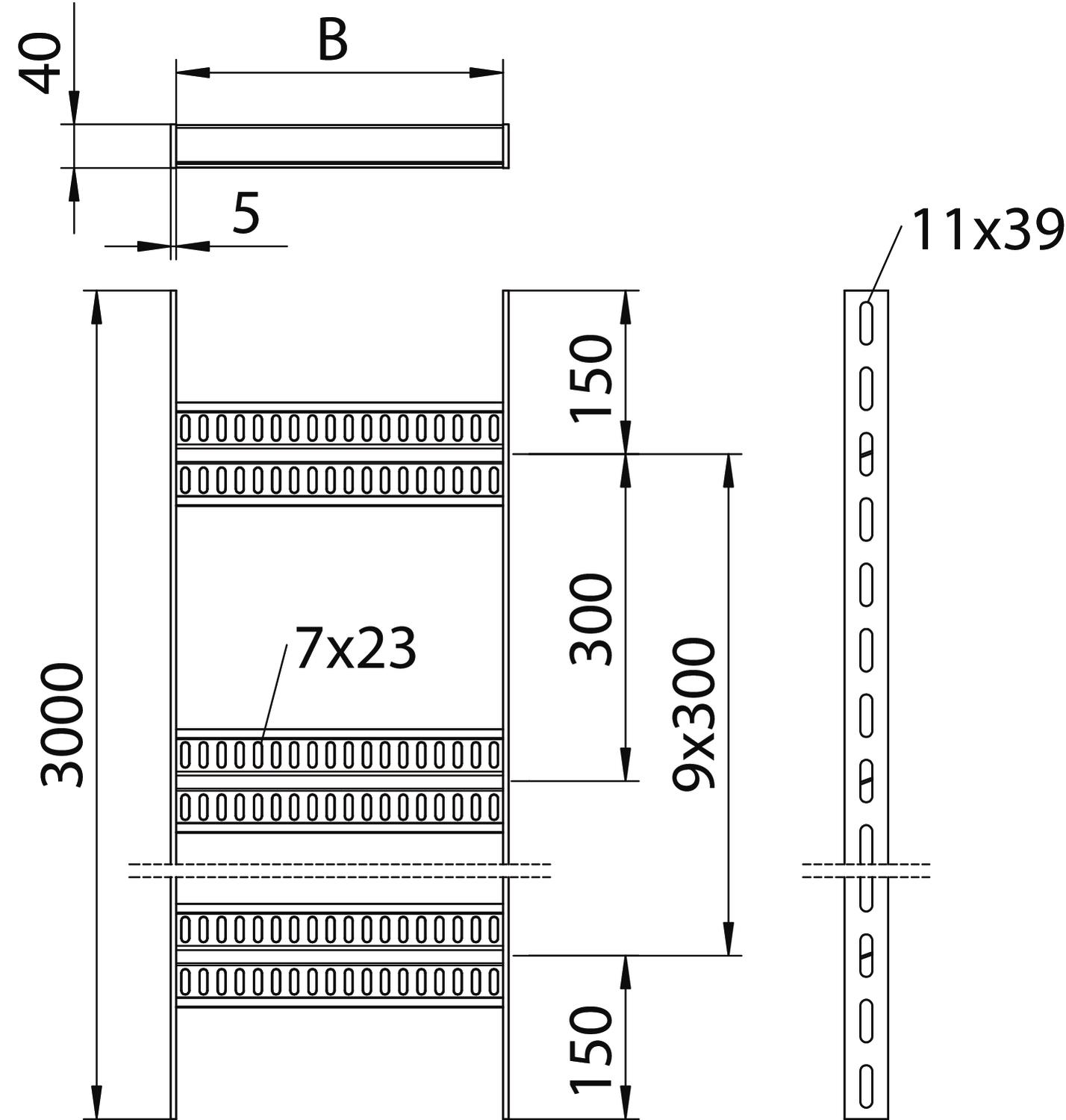
3000 mm
5 mm
no
Product description
Product description
Shipbuilding cable ladder with perforated side rail of side height 40 mm with welded, perforated Z rungs. Load tested according to IEC in conjunction with connector, type SLV.


The shipbuilding cable ladder, including fittings, is also available in stainless steel on request. Powder coating according to RAL colours possible.

  • RINA 1861, Ship Classification, Certification and Services
  • Germanischer Lloyd
  • Communautés Européennes, EC declaration of conformity according to EC directives
  • CO₂ footprint (PCF)
Technical data

Technical data

CO2 Footprint (GWP) Cradle-to-Gate 8,8505 kg CO2e / 1 Meter
Colour zinc
Dimension 40x160x3000
Dimension 40x150
Dimension B 160 mm
Fastening of rung Welded
Height 40 mm
Length 3000 mm
Maintain electrical functions no
Material Steel
Rail thickness 5 mm
Rung distance 300 mm
Rustproof steel, pickled no
Side perforation yes
Side rail version Flat profile
Support spacing 1.5 m 2,8 kN/m
Support spacing 2.0 m 1,75 kN/m
Support spacing 2.5 m 1 kN/m
Support spacing 3.0 m 0,6 kN/m
Surface Hot-dip galvanised
Version of the rungs Profile perforated
Wide-span version no
Width 150 mm

Technical data

Load diagram, cable ladder, type SLZ

Load diagram, cable ladder, type SLZ
  • Permitted cable tray/ladder load in kN/m without man load Permitted cable tray/ladder load in kN/m without man load
  • Support width in m Support width in m
  • Rail bend in mm at permitted kN/m Rail bend in mm at permitted kN/m
  • Load curve with cable tray/ladder width in mm Load curve with cable tray/ladder width in mm
  • Strut bend curve according to support width Strut bend curve according to support width
  • Load scheme during testing Load scheme during testing
All types

All types

Types Length Width Rail thickness Maintain electrical functions Item no. Quantity SSU
SLZ 100 FT 3000 mm 100 mm 5 mm no 7098132
3 m
SLZ 150 FT 3000 mm 150 mm 5 mm no 7098133
3 m
SLZ 200 FT 3000 mm 200 mm 5 mm no 7098134
3 m
SLZ 300 FT 3000 mm 300 mm 5 mm no 7098136
3 m
SLZ 400 FT 3000 mm 400 mm 5 mm no 7098138
3 m
SLZ 500 FT 3000 mm 500 mm 5 mm no 7098140
3 m
SLZ 600 FT 3000 mm 600 mm 5 mm no 7098142
3 m
Accessories

Mounting accessories

Products Types Item no. Quantity SSU
Tightening strap A2K Jet black Tightening strap A2K Jet black SBR 8 A2K 6490192
40 m
Tightening strap FSK, Stone grey Tightening strap FSK, Stone grey SBR 15 FSK 6490280
25 m
Downloads

Download

EU declaration of conformity SLZ 150 FT / 7098133 , 0.11MB , pdf
Download

Download

SLZ 150 FT / 7098133
Download