MCR protection for 2-pole power supply with remote signalling, 24 V AC/DC

Item no. 5097820 | EAN 4012195578185

2
IP20
Product description
Product description
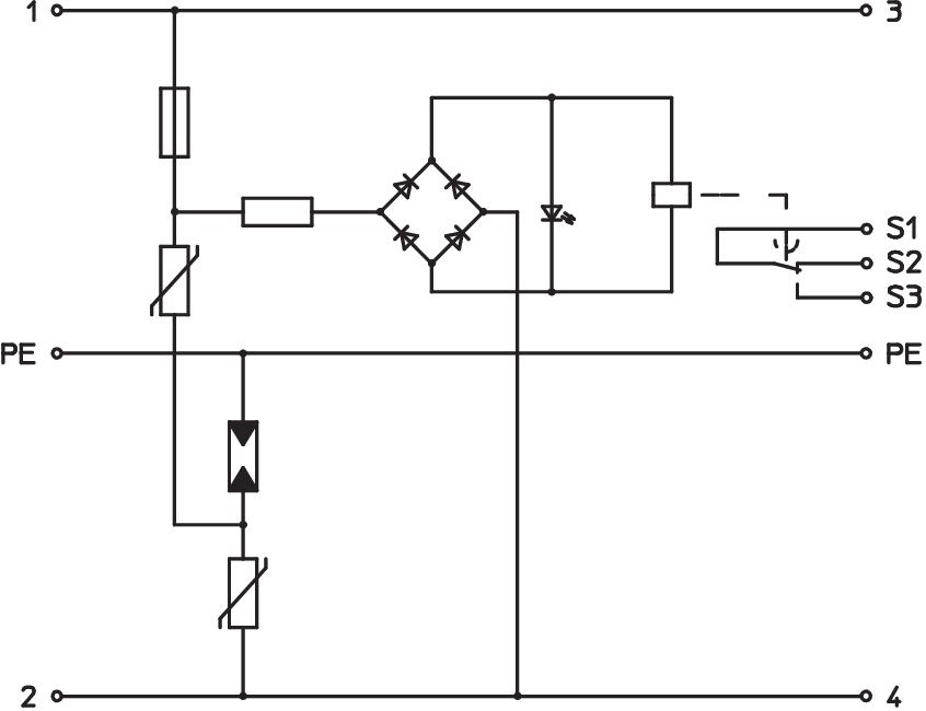
Surge protection/fine power protection, type 3, to EN 61643-11 with remote signalling


• With remote signalling, potential-free changeover contact, for function monitoring

• Suitable for DC and AC systems

• With visual function display

• With easy mounting, screwless connection terminals

• In space-saving 17.5 mm grid

• Y circuit


Application: Universal use on 35 mm DIN profile rails in any standard distributor housing.
  • 5-year warranty
  • Communautés Européennes, EC declaration of conformity according to EC directives
  • Protection device to DIN EN 61643-11 or IEC 61643-11
  • Transition from LPZ 2 to LPZ 3
  • Remote signalling
  • Installation electrotechnical expertise
  • CO₂ footprint (PCF)
  • Packaging without plastic
Technical data

Technical data

Blow-out no
CO2 Footprint (GWP) Cradle-to-Gate 0,2757 kg CO2e / 1 Piece
Conductor cross-section, rigid (single-wire/multiwire), max. 2,5 mm²
Conductor cross-section, rigid (single-wire/multiwire), min. 0,14 mm²
Dimension 24V AC
FM contacts Changeover
Installation type DIN rail 35 mm
Lightning protection zone LPZ 2→3
Max. mains-side overcurrent protection 16
Maximum back-up fuse 16 A
Maximum continuous voltage AC 34 V
Maximum continuous voltage DC 46 V
Maximum discharge current (8/20 μs) 2 kA
Network form Other
Nominal discharge current (8/20 µs) 0,7 kA
Nominal voltage AC (50/60 Hz) 24 V
OBO_Nominal load current (input/output terminal) 20 A
Operating temperature, max. 80 °C
Operating temperature, min. -40 °C
Permitted temperature range, max. 80 °C
Permitted temperature range, min. -40 °C
Pole number 3
Pole version 2
Protection level wire-earth <1200 V
Protection level wire-wire <160 V
Protection level [L-N] ≤1000
Protection rating IP20
Remote signalling yes
Response time <25 ns
Signalling on device Visual
SPD to EN 61643-11 Type 3
SPD to IEC 61643-1 Class III
Test class, type 3 yes
All types

All types

Types Pole version Maximum continuous voltage AC Maximum continuous voltage DC Protection rating Item no. Quantity SSU
VF12-AC/DC-FS 2 13.5 V 18 V IP20 5097454
1 piece
VF24-AC/DC-FS 2 34 V 46 V IP20 5097820
1 piece
VF48-AC/DC-FS 2 60 V 80 V IP20 5097822
1 piece
Downloads

Download

Download
Download

EU declaration of conformity VF24-AC/DC-FS / 5097820 , 0.11MB , pdf
Download

Download
Download

VF24-AC/DC-FS / 5097820
Download