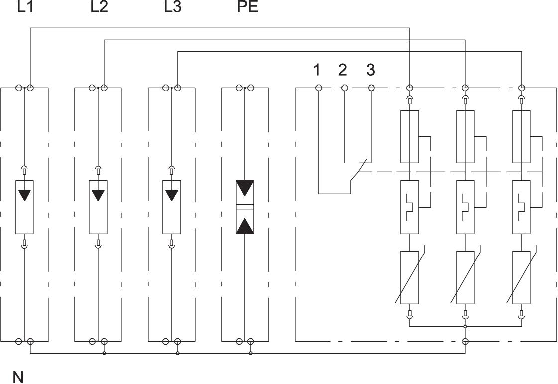
Protection set MCD + V20 3-pole + NPE with remote signalling

Item no. 5089763 | EAN 4012195405559

5089763 / PS4-B+C TNS+FS
3+N/PE
255 V
IP20
Product description
Product description
Protection set, lightning and surge arrester type 1+2

• Arresting capacity 100 kA 10/350 µs, BET-tested
• Pre-mounted and ready for connection, incl. connecting bridges, labelled connection terminals
• With remote signalling and potential-free NO contact for function monitoring
• For use in TN-S and TT network system

Note: Max. backup fuse (required only if not already fitted in network) 125 A gL/gG.
  • Lightning current-tested
  • 5-year warranty
  • Communautés Européennes, EC declaration of conformity according to EC directives
  • EurAsian Conformity
  • 230/400 V system
  • Combination protection device made of type 1 and type 2
  • Transition from LPZ 0 to LPZ 2
  • Remote signalling
  • CO₂ footprint (PCF)
  • Packaging without plastic
  • Packaging made entirely from recycled cardboard
Technical data

Connectivity options

Arrester surge current (8/20 µs) [total] 100 kA
Blow-out no
CO2 Footprint (GWP) Cradle-to-Gate 11,0412 kg CO2e / 1 Piece
Conductor cross-section, rigid (single-wire/multiwire), max. 50 mm²
Conductor cross-section, rigid (single-wire/multiwire), min. 10 mm²
Dimension 255V
Follow current quenching capacity (eff) [N-PE] 25 kA
Installation type DIN rail 35 mm
Lightning protection zone LPZ 0→2
Lightning surge current (10/350 μs) 50 kA
Lightning surge current (10/350) 100 kA
Max. mains-side overcurrent protection 125
Maximum back-up fuse 125 A
Maximum continuous voltage (L-N) 255 V
Maximum continuous voltage (N-PE) 255 V
Maximum continuous voltage AC 255 V
Maximum discharge current (8/20 μs) 100 kA
Network form Other
Nominal discharge current (8/20 µs) 50 kA
Nominal voltage AC (50/60 Hz) 230 V
Operating temperature, max. 85 °C
Operating temperature, min. -40 °C
Permitted temperature range, max. 85 °C
Permitted temperature range, min. -40 °C
Pole version 3+N/PE
Protection rating IP20
Remote signalling yes
Response time <25 ns
Short-circuit resistance 25 kA
Short-circuit resistance for max. mains-side overcurrent protection 25 kA
Signalling on device Visual
SPD to EN 61643-11 Type 1+2
SPD to IEC 61643-1 Class I+II
Version for 3+1-pole with FS; 255 V
All types

All types

Types Pole version Maximum continuous voltage AC Protection rating Item no. Quantity SSU
PS4-B+C TNS+FS 3+N/PE 255 V IP20 5089763
1 piece
Downloads

Download

Download
Download

Download
Download

No invitation to tender text is available for this product.